蘇州冷卻水水泵項目(永磁同步電機)
冷凍冷藏
瀏覽量:49次
冷卻水水泵項目(永磁同步電機)
變頻器系列:YD580ET4-75G/90P-T
應用設備:冷卻冰機
調試日期:2026.1.13
調試地點:蘇州張家港(康某集團股份有限公司)
調試人員:王工
1、冷卻水水泵設備工作原理
冷卻水水泵是冷卻水循環系統的核心設備,其工作原理可以概括為:為冷卻水(水或水與乙二醇的混合液)提供動力,使其在系統中強制循環,將熱量從發熱部位(冰機)攜帶到散熱部位(散熱器),從而實現熱交換和溫度控制。
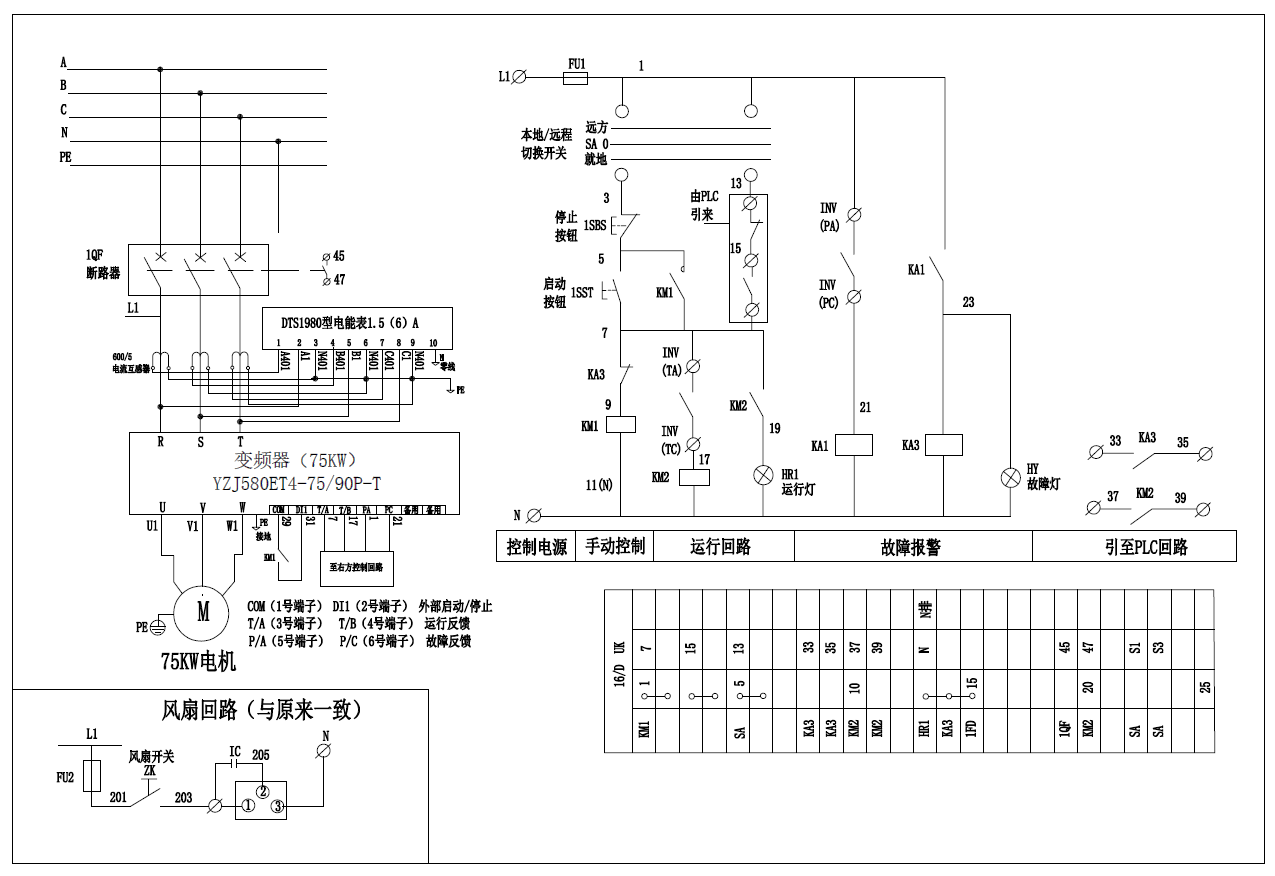
2、電氣接線圖
變頻器和電機之間存在一定距離,因此變頻器和電機都要做好接地的準備。
現場采用本地和遠程控制,要求可以本地與遠程都可以啟停(通過柜門上的本地遠程切換開關切換 ) 同時,運行和報警信號通過接觸器或者中間繼電器傳遞到PLC上,可以監控當前設備的運行狀態。
3、變頻器規格
永磁同步電機額定電流為125A,電機轉速1500轉,額定功率75KW,根據電機的型號及使用工況,我司選擇了額定電流為150A的YZJ580ET4-75G/90P-T。
- 調試步驟
現場變頻器參數設置
| P0-02=1 | 端子運行 |
| P6-10=1 | 自由停車 |
| P4-00=1 | DI1端子功能正轉 |
| P5-02=1 | 運行(本體繼電器) |
| P5-03=2 | 故障(擴展繼電器) |
| P1-01=75KW | 電機額定功率 |
| P1-02=380V | 電機額定電壓 |
| P1-03=125A | 電機額定電流 |
| P1-04=100HZ | 電機額定頻率 |
| P1-05=1500R | 電機額定轉速 |
| P0-08=100HZ | 當前頻率 |
設置完成后P1-37設置11,按RUN鍵,電機靜態自學習,后正常運行
5、現場運行情況
運行穩定
電機100HZ時三相輸出電流平衡,范圍在88-90A


